Purpose:
In this lab we will take a break from our interminable explorations of the refrigerator and focus on the behavior and measurement of circuit characteristics. In the process it is hoped that you will validate Kirchoff's Laws and Ohms Law while learning to use a DMM and wire a circuit on a breadboard.
There are a number of new objects and tools you will meet in this lab. The Lab Discussion page has resources that may be helpful.
Procedure:
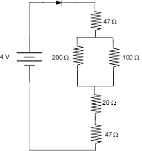
- At each table there should be a powered project board and a DMM with leads along with some mysterious components and some wire bits. Be aware that due to changing parts availability the actual circuit may use different resistors than the ones pictured. Consult with your instructor.
i) Identify any members of your group who have had significant experience with DMM's or circuit prototyping. Having identified them please tie their hands together or force them to sit on their hands so everyone else can learn something!
ii) Set up your multimeter to talk to the Resistance elf and measure the resistances of the various resistors provided to you. Verify that the color code is consistent with your measurement. Have your instructor verify your results before proceeding.
iii) Set up your multimeter to talk to the DC voltage elf and verify the voltages available at the "top" of the protoboard. Set the adjustable voltage supply to 4 V (within 0.1 V will be fine!). Have your instructor verify this before proceeding.
iv) Search the web, or look on the lab discussion page, for a description of the internal structure of a prototyping breadboard. Based on this wire the circuit shown below on your breadboard with the power off. Have your circuit checked before proceeding.

v) Verify Kirchoff's Loop Rule by making appropriate voltage measurements of this circuit. Be sure to engage the services of the DC voltage elf you previously contacted. Explain to your instructor the meaning of your measurements and why they validate Kirchoff's Loop Rule.
vi) Verify that you can sucessfully make a current measurement by measuring the current flowing through the lower 47 ohm resistor. Be sure to engage the services of the DC current elf which requires changing the location of the leads on the DMM. Before actually making the measurement show your instructor what you plan to do.
vii) Once you can safely make a current measurement Verify Kirchoff's Node Rule by making appropriate current measurements at the node between the 47 and 200 ohm resistors. Talk to the proper elf and explain to your instructor the meaning of your measurements and why they validate Kirchoff's Node Rule.
- LAB REPORT:
-
I) Turn in your signature page which verifies that you have completed each of the operations and determinations requested above. That's it!
